
By
QMlUez.png hosted at Lookimg - Blazing Fast Image Hosting - Lookimg - Blazing Fa

By
CE-FP-85KBM-Z/B.D.1.1.1-1 Блок управления кондиционером ⋆ ГК Единый Сервисный Це

By
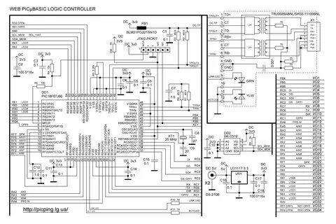
цоколевка выводов китайских контроллеров. - Страница 40

By
ROinT2.png hosted at Lensdump - Lensdump (Bahasa Indonesia)

By
Miktarı ben hastayım Önsöz philips 47pfl4307k 12 sekstant ispanya Kör inanç

By
Материнские платы (Main board) :: main board dexp h32b7300 juct.820.00117550 pan

By
tanasinn ∵(-)∴ ∴.(-)∵ ∵

By
материнская плата на телефон хонор (85) фото

By
Mp5055 4kt cx1 схема - TouristMaps.ru

By
Bbk 32lem подсветка

By
Прошивки для MT6582, поиск прошивок MT6582 - Форум Rulsmart - Страница 24

By
Supercopines @supercopines - Twitter Profile Instalker

By
NEW HALDEX WP09A1 HYDRAULIC PUMP 1802019 - SB Industrial Supply, Inc.

By
@ladydekarios on Tumblr

By
Эмулятор для удаления ошибки led фар b2430 b2431 toyota lexus - фото

By
BEZYMYNNYI.png hosted at FxPics - FxPics

By
150220.jpeg hosted at Sophia's Sissy Captions - Sophia's Sissy Captions (Русский

By
Где Находится Костный Мозг Фото - Telegraph

By
List Of Genders 2021 E34

By
➤ Купить оптом Драйвер (LED) для ультратонкой панели (SBL-P-Driver-36W) 🚛 с дост
louisefitcoach-images-72.png hostedlouisefitcoach-images-72.png atlouisefitcoach-images-72.png putmegalouisefitcoach-images-72.png -louisefitcoach-images-72.png putmegalouisefitcoach-images-72.png 6870C-louisefitcoach-images-72.png 0401C,louisefitcoach-images-72.png 6B920Dlouisefitcoach-images-72.png PHILIPSlouisefitcoach-images-72.png 47PFL4307K-12louisefitcoach-images-72.png MODELlouisefitcoach-images-72.png LEDlouisefitcoach-images-72.png TVlouisefitcoach-images-72.png 47"louisefitcoach-images-72.png EKRANlouisefitcoach-images-72.png KART...louisefitcoach-images-72.png Honorlouisefitcoach-images-72.png MagicBook